网站首页
关于我们
关于我们
天一智能荣获华南区东元电机产品一级代理经销商资格,并在华北、华东设有分公司,销售网络辐射全国各大重工业地区,为您提供国际一流的东元产品和满意的服务。世界知名企业安川,abb,ge合作,产品应用于机械,电子设备,风力水利等
关于天一
关于东元
东元文化
天一与东元的渊源
东元全球
核心优势
荣誉资质
公司环境
产品指南
产品指南
东元中国事业版图横跨世界欧洲美国亚洲中心多领域,投资智能家电,电机,通讯,重电,金融多元化经营发展,无锡东元专业设计制造产品涉及高压和低压三相电机,防爆电机,刹车电机,高能效节能电机,jsma伺服电机,变频器驱动系统,行星齿轮电机;功率kw齐全,防爆认证完备,高效技术领先,标准化企业管理
进入产品指南>>
重电事业部
东元电机
东元减速机
电控事业部
东元变频器
东元伺服
配套产品
水泵
鼓风机
涡轮减速机
新闻资讯
新闻资讯
从事马达行业10多年,我能听懂它们的声音,从它们的声音里听到它们健康还是不健康!我能摸到它们的脉搏,从它们的振动中感受到它们是不是完美无瑕!东元电机股份有限公司官网。
公司动态
行业新闻
产品资讯
下载中心
下载中心
东元销售服务中心免费为您提供东元电机样本型录下载,东元减速机样本型录下载,东元伺服说明书下载,东元变频器说明书下载,TECO台湾东元电机官方网站提供技术支持。
东元电机
东元减速机
东元变频器
东元伺服
配套产品
东元产品说明书
东元样本型录
东元产品知识
服务与支持
服务与支持
天一智能是东元一级代理,为您提供东元电机、减速机、变频器、PLC及其他控制产品的模块化组合,为您制定最佳经济的“一站式”解决方案,满足您选型需求,提高产品竞争力。工作热线和相关产品介绍联系我们客服.
客户服务中心
服务流程
服务网络
应用案例
常见问题
ABOUT
产品资讯
当前位置:
首页
>
新闻资讯
>
产品资讯
>
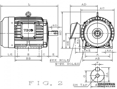
[2021-08-24 ]
AEEFF3-18.5KW-4P-180M 东元电机安装图纸
...
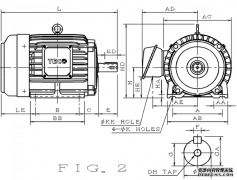
[2021-08-24 ]
东元电机AEEFF3-15KW-4P 160L 安装图纸
...
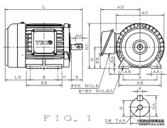
[2021-08-24 ]
东元电机AEEF-11KW-4P 160M 安装图纸
...
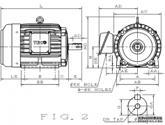
[2021-08-24 ]
东元电机AEEF-7.5KW-4P 132M 安装图纸
...
[2021-08-24 ]
东元电机AEEF-5.5KW-4P 132S 安装图纸
...
[2021-08-24 ]
东元电机AEEFF3-3.7KW-4P 112M 尺寸图纸
...
[2021-08-24 ]
东元电机AEEFF3 0.75KW 4P 卧式 图纸
...
[2021-08-24 ]
东元电机AEEFF3-1.5KW-4P 卧式 安装尺寸图
...
[2021-08-24 ]
东元电机AEEFF3-2.2KW-4P-100L 尺寸图纸
...
首页
上一页
1
2
末页
1
2
天一与东元的渊源
|
关于天一
|
东元电机
|
东元减速机
|
东元变频器
|
东元伺服
|
关于我们
|
服务网络
|
网站地图
Copyright © 2022 东莞市天一精密机电有限公司 All Rights Reserved
粤ICP备16096559号
友情链接:
联系我们
东元电机
东元马达
东元选型
东元销售
东元电机销售
:
13600274555
东元电机参考价
请扫二维码:
↑顶部
底部↓