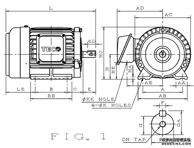
东元电机AEEFF3-1.5KW-4P 卧式 安装尺寸图 | ||||||
![]() |
||||||
品牌 | 型号 | 极数 |
功率 KW |
马力 HP |
安装方式 | 基座号 |
TECO | AEEFF3 | 4P | 1.5KW | 2HP | B3 | 90L |
A | AA | AB | AC | AD | AE | AF |
140.0 | 35.5 | 170.0 | 200.0 | 157.0 | 125.0 | - |
B | BA | BB | C | H | HA | HC |
125.0 | - | 150.0 | 56.0 | 90.0 | 10.0 | 190.0 |
HD | HE | K | KK | L | LE | D |
- | 65.0 | ψ10 | ψ22 | 332.5 | 101.5 | 24.0 |
E | ED | EE | F | G | GA | DH |
50.0 | 32.0 | - | 8.0 | 20.0 | 27.0 | M8×16 |
DEBEARING | NDEBEARING | |||||
6205ZZ | 6205ZZ | |||||
NOTE: 1.Dimensions in mm; 2.Data subject to change without notice *参数资料来源于样本数据,仅供选型参考使用,不做下单确认依据! |
图纸由东元电机一级代理-东莞市天一精密机电有限公司提供,更多东元电机尺寸图纸请登录我们官网查询:http://www.tianyimotor.com
Copyright © 2022 东莞市天一精密机电有限公司 All Rights Reserved粤ICP备16096559号