东元电机 TEGH/AEEFF3 11KW 4P 图纸 | ||||||
![]() |
||||||
品牌 | 型号 | 极数 | 功率 | 马力 | 安装方式 | 框号 |
TECO | AEEFF3 | 4P | 11KW | 15HP | B3/卧式 | 160M |
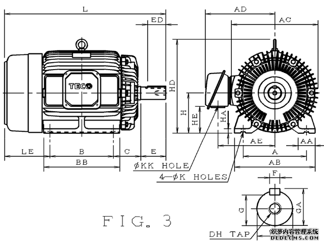
A | AA | AB | AC | AD | AE | AF |
254.0 | 50.0 | 300.0 | 334.0 | 263.0 | 218.0 | - |
B | BA | BB | C | H | HA | HC |
210.0 | - | 250.0 | 108.0 | 160.0 | 18.0 | - |
HD | HE | K | KK | L | LE | D |
377.0 | 108.0 | ψ14.5 | ψ35 | 608.0 | 180.0 | 42.0 |
E | ED | EE | F | G | GA | DH |
110.0 | 80.0 | - | 12.0 | 37.0 | 45.0 | M16×32 |
DEBEARING | NDEBEARING | |||||
6309ZZ | 6307ZZ | |||||
NOTE: 1.Dimensions in mm; 2.Data subject to change without notice *参数资料来源于样本数据,仅供选型参考使用,不做下单确认依据! |
本文由东元电机官网-东莞市天一精密机电有限公司为您提供,更多东元电机图纸及相关信息请联系我们24小时服务热线:400-168-4418/0769-22828588.
Copyright © 2022 东莞市天一精密机电有限公司 All Rights Reserved粤ICP备16096559号