东元电机AEEFF3-2.2KW-4P-100L 尺寸图纸 | ||||||
![]() |
||||||
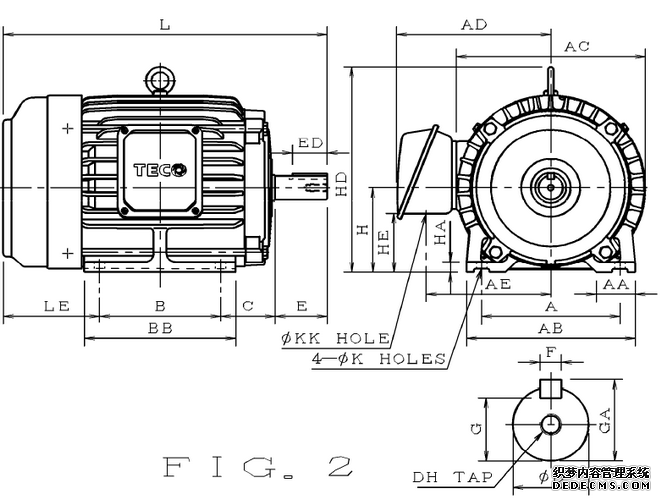
品牌 | 型号 | 极数 | 功率 | 马力 | 安装 | 框号 |
TECO | AEEFF3 | 4P | 2.2KW | 3HP | B3 | 100L |
A | AA | AB | AC | AD | AE | AF |
160.0 | 45.0 | 195.0 | 219.0 | 180.0 | 145.0 | - |
B | BA | BB | C | H | HA | HC |
140.0 | - | 175.0 | 63.0 | 100.0 | 12.5 | - |
HD | HE | K | KK | L | LE | D |
243.0 | 71.0 | ψ12 | ψ28 | 374.5 | 111.5 | 28.0 |
E | ED | EE | F | G | GA | DH |
60.0 | 40.0 | - | 8.0 | 24.0 | 31.0 | M10×20 |
DEBEARING | NDEBEARING | |||||
6206ZZ | 6206ZZ | |||||
NOTE: 1.Dimensions in mm; 2.Data subject to change without notice *参数资料来源于样本数据,仅供选型参考使用,不做下单确认依据! |
本文由东元电机一级代理东莞市天一精密机电提供,更多东元电机安装图纸及相关资讯,请联系我们24小时服务热线:400-168-4418/0769-22828588.
Copyright © 2022 东莞市天一精密机电有限公司 All Rights Reserved粤ICP备16096559号