TECO 东元电机 | ||||||
![]() |
||||||
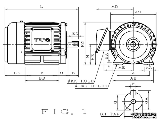
品牌 | 型号 | 极数 | 功率 | 马力 | 安装方式 | 基座号 |
TECO 东元 | AEEFF3 | 4P | 0.75KW | 1HP | B3 | 80M |
A | AA | AB | AC | AD | AE | AF |
125.0 | 35.5 | 155.0 | 177.0 | 144.0 | 112.0 | - |
B | BA | BB | C | H | HA | HC |
100.0 | - | 130.0 | 50.0 | 80.0 | 9.0 | 168.0 |
HD | HE | K | KK | L | LE | D |
- | 55.0 | ψ10 | ψ22 | 282.0 | 92.0 | 19.0 |
E | ED | EE | F | G | GA | DH |
40.0 | 25.0 | - | 6.0 | 15.5 | 21.5 | M6×12 |
DEBEARING | NDEBEARING | |||||
6204ZZ | 6204ZZ | |||||
NOTE: 1.Dimensions in mm; 2.Data subject to change without notice *参数资料来源于样本数据,仅供选型参考使用,不做下单确认依据! |
图纸由东元电机一级代理-东莞市天一精密机电有限公司提供,更多东元电机尺寸图纸请登录我们官网查询:http://www.tianyimotor.com
Copyright © 2022 东莞市天一精密机电有限公司 All Rights Reserved粤ICP备16096559号