TEGH系列 AEEFF3-7.5KW-4P 132M 图纸 | ||||||
![]() |
||||||
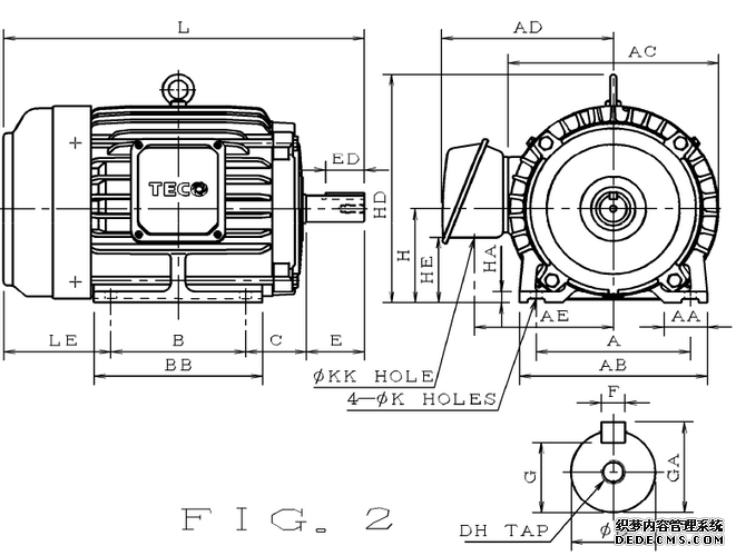
型号 | 型号 | 极数 | 功率 | 马力 | 安装 | 框号 |
TECO | AEEFF3 | 4P | 7.5KW | 10HP | B3/卧式 | 132M |
A | AA | AB | AC | AD | AE | AF |
216.0 | 45.0 | 250.0 | 273.0 | 225.0 | 180.0 | - |
B | BA | BB | C | H | HA | HC |
178.0 | - | 212.0 | 89.0 | 132.0 | 16.0 | - |
HD | HE | K | KK | L | LE | D |
310.0 | 83.0 | ψ12 | ψ35 | 492.0 | 145.0 | 38.0 |
E | ED | EE | F | G | GA | DH |
80.0 | 64.0 | - | 10.0 | 33.0 | 41.0 | M12×24 |
DEBEARING | NDEBEARING | |||||
6308ZZ | 6306ZZ | |||||
NOTE: 1.Dimensions in mm; 2.Data subject to change without notice *参数资料来源于样本数据,仅供选型参考使用,不做下单确认依据! |
本文由东元电机官网-东莞市天一精密机电有限公司为您提供,更多东元电机图纸及相关信息请联系我们24小时服务热线:400-168-4418/0769-22828588.
Copyright © 2022 东莞市天一精密机电有限公司 All Rights Reserved粤ICP备16096559号