AEEFF3-3.7KW-4P | ||||||
![]() |
||||||
品牌 | 型号 | 极数 | 功率 | 马力 | 安装方式 | 框号 |
TECO | AEEFF3 | 4P | 3.7KW | 5HP | B3/卧式 | 112M |
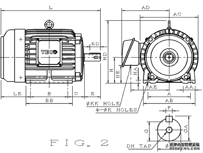
A | AA | AB | AC | AD | AE | AF |
190.0 | 45.0 | 224.0 | 238.0 | 189.0 | 154.0 | - |
B | BA | BB | C | H | HA | HC |
140.0 | - | 175.0 | 70.0 | 112.0 | 14.0 | - |
HD | HE | K | KK | L | LE | D |
265.0 | 83.0 | ψ12 | ψ28 | 391.0 | 121.0 | 28.0 |
E | ED | EE | F | G | GA | DH |
60.0 | 40.0 | - | 8.0 | 24.0 | 31.0 | M10×20 |
DEBEARING | NDEBEARING | |||||
6306ZZ | 6306ZZ | |||||
NOTE: 1.Dimensions in mm; 2.Data subject to change without notice *参数资料来源于样本数据,仅供选型参考使用,不做下单确认依据! |
本文由东元电机一级代理-东莞市天一精密机电有限公司为您提供,更多东元电机图纸及相关资讯请联系我们24小时服务热线:400-168-4418/0769-22828588.
Copyright © 2022 东莞市天一精密机电有限公司 All Rights Reserved粤ICP备16096559号