和我们取得联系
样本型录
使用条件的内容....
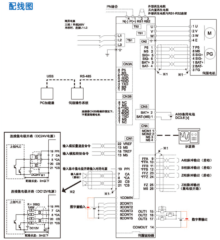
本栏目有东元伺服驱动JSDF参数设计图纸、选型资料下载等信息、也可与我们联系咨询东元伺服控制系统价格货期
Copyright © 2022 东莞市天一精密机电有限公司 All Rights Reserved粤ICP备16096559号