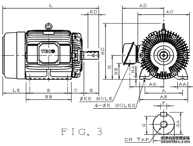
TEGH AEEFF3-30KW-4P-180L 安装图纸 | ||||||
![]() |
||||||
品牌 | 型号 | 极数 | 功率 | 马力 | 安装方式 | 框号 |
TECO | AEEFF3 | 4P | 30KW | 40HP | B3/卧式 | 180LC |
A | AA | AB | AC | AD | AE | AF |
279.0 | 75.0 | 355.0 | 382.0 | 305.0 | 250.0 | - |
B | BA | BB | C | H | HA | HC |
279.0 | - | 335.0 | 121.0 | 180.0 | 22.0 | - |
HD | HE | K | KK | L | LE | D |
431.0 | 119.0 | ψ14.5 | ψ52 | 710.0 | 200.0 | 55.0 |
E | ED | EE | F | G | GA | DH |
110.0 | 80.0 | - | 16.0 | 49.0 | 59.0 | M20×40 |
DEBEARING | NDEBEARING | |||||
6312ZZ | 6310ZZ | |||||
NOTE: 1.Dimensions in mm; 2.Data subject to change without notice *参数资料来源于样本数据,仅供选型参考使用,不做下单确认依据! |
本文由东元电机销售服务中心-东莞市天一精密机电有限公司为您提供,更多东元电机图纸及相关信息请联系我们24小时服务热线:400-168-4418/0769-22828588.
Copyright © 2022 东莞市天一精密机电有限公司 All Rights Reserved粤ICP备16096559号