



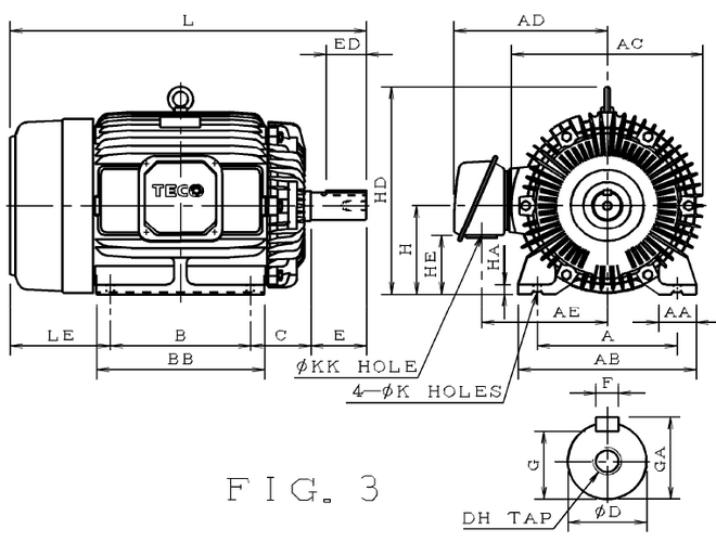
| TEGH AEEFF3-45KW-4P-200L | ||||||
![]() | ||||||
| 品牌 | 型号 | 极数 | 功率 | 马力 | 安装方式 | 框号 |
| TECO/东元 | AEEFF3 | 4P | 45KW | 60HP | B3/卧式 | 200LC |
| A | AA | AB | AC | AD | AE | AF |
| 318.0 | 80.0 | 400.0 | 458.0 | 362.0 | 299.0 | - |
| B | BA | BB | C | H | HA | HC |
| 305.0 | - | 365.0 | 133.0 | 200.0 | 25.0 | - |
| HD | HE | K | KK | L | LE | D |
| 499.0 | 129.0 | ψ18.5 | ψ65 | 804.5 | 226.5 | 60.0 |
| E | ED | EE | F | G | GA | DH |
| 140.0 | 110.0 | - | 18.0 | 53.0 | 64.0 | M20×40 |
| DEBEARING | NDEBEARING | |||||
| 6314ZZ | 6212ZZ | |||||
| NOTE: 1.Dimensions in mm; 2.Data subject to change without notice *参数资料来源于样本数据,仅供选型参考使用,不做下单确认依据! | ||||||
本文由东元电机销售服务中心-东莞市天一精密机电有限公司为您提供,更多东元电机图纸及相关信息请联系我们24小时服务热线:400-168-4418/0769-22828588.
Copyright © 2022 东莞市天一精密机电有限公司 All Rights Reserved粤ICP备16096559号

