样本型录
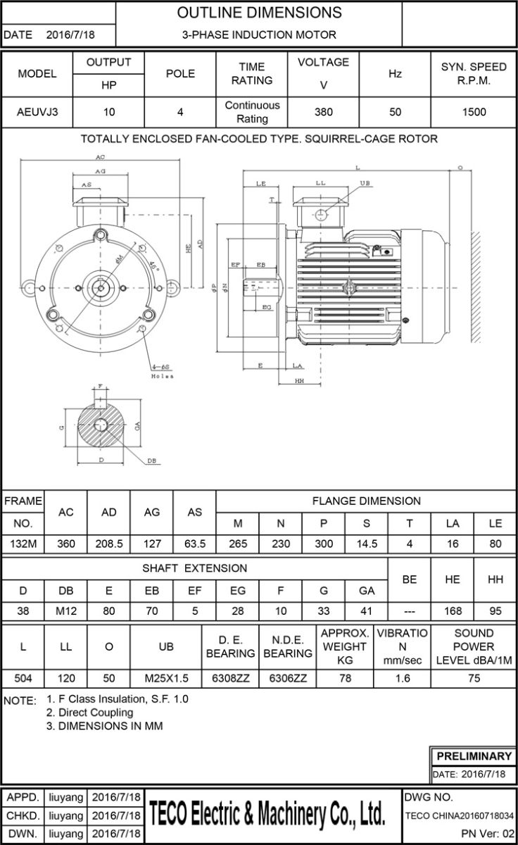
东元AEUVJ2 7.5KW 4P 立式节能电机参数:
能效等级:GB2/IE3
输出功率:7.5KW
输出转速:4P(1460rpm)
额定电压:380V
额定频率:50/60Hz
机 座 号:132M
防护等级:IP55
冷却方式:IC411
绝缘等级:F级
温升等级:B级
重 量:93KG
东元电机创立于1956年,初期从事马达生产,至今已跨入重电、家电、资讯、电子、关键零组件、基础工程建设、金融投资及餐饮等多角化的发展领域。在多年的耕耘下,东元已由传统的重电、家电产业,迈向一个全球化的高科技企业,目前事业版图横跨全球五大洲、三十余国,合作伙伴包括美国奇异、日本安川、美国西屋、瑞典易立信、日本三菱、NEC、美国柯达伊仕曼及德国G&D等公司。
使用条件的内容....
东元高效电机已入选国家第五批“节能产品惠民工程”,若购置此类电机,依政策通过申请,业主有机会获取国家“节能补贴”!从而更节能,更省钱!
Copyright © 2022 东莞市天一精密机电有限公司 All Rights Reserved粤ICP备16096559号